u Anhängerkupplunghöhenverstellplatte universal mit EU-Zulassung für 2- und 4-Loch-Kugel

Artikelnr.: 9880
94,50
(Preise ohne Mehrwertsteuer): 78,10

Fragen zu diesem Produkt?

Kontaktieren Sie unseren Kundenservice telefonisch unter 026-8403767 oder per WhatsApp unter 0630169408.
Erreichbar von Montag bis Freitag von 9:00 bis 17:00 Uhr.

  • Über 90+ Marken Anhängerkupplungen verfügbar
  • Anhängerkupplungen für exklusive Fahrzeuge
  • Persönlicher Support & unkomplizierte Kommunikation

Diese Höhenverstellplatte ist ein vielseitig einsetzbares Produkt
Sie passt auf alle Fahrzeuge mit einem Flanschkugelkopf mit europäischem Lochbild und hat eine Stützlast von 3500 kg Stützlast 200 kg
und einen D-Wert von 17,17 kN und ist für Pkw und Lkw zugelassen.
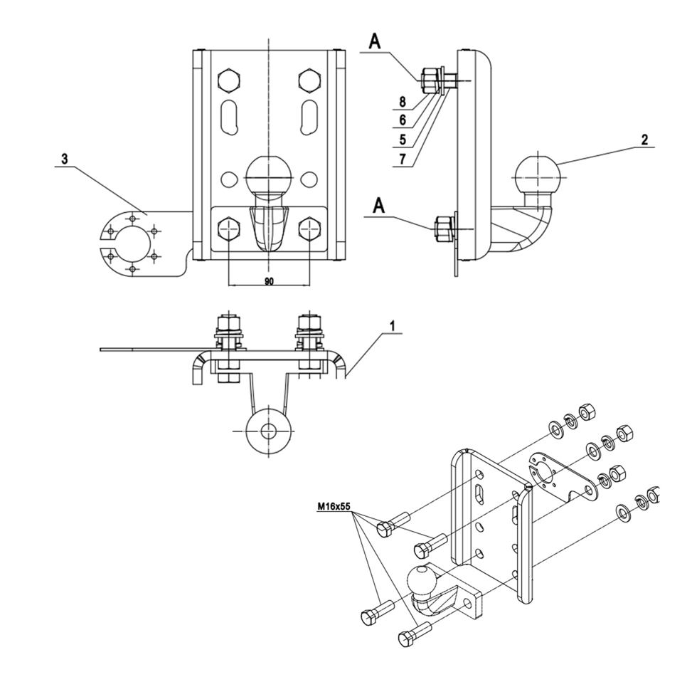
Bolzen nicht enthalten

Das Adapterstück ist äußerst universell und kann auf verschiedene Arten an der Anhängerkupplung verwendet werden:

- Zur Höhenverstellung der Kugel nach oben und unten,

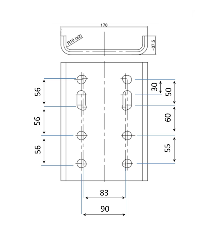
- Zum Umrüsten des Kugelkopfes mit vier Löchern (83 x 56 mm) auf zwei Löcher mit 90 mm Lochabstand,

- als Halter für Kombikupplungen, z.B. Anhängekugel, Open-End-Kupplung, Öse, Stufe, Gerätehalter
=====================================================================================
Die Höhe der Kugel an einer Anhängekugel ist in der Verordnung Nr. 55 der Wirtschaftskommission für Europa festgelegt
und sollte zwischen 350 mm und 420 mm über dem Boden liegen. Boden bis zur Oberkante der Kugel
Obwohl die Hersteller von Anhängevorrichtungen verpflichtet sind, die Vorschriften einzuhalten, kommt es häufig vor, dass die Kugel der Anhängevorrichtung zu hoch oder zu niedrig ist.

Mit dieser Höhenverstellplatte kann die Kugelhöhe nach oben oder unten verschoben werden.
Die Adapterplatte ist so konstruiert, dass alle europäischen Kupplungskugeln mit einem Flansch Ihrer Wahl höhenverstellbar sind.
Die Flanschkupplungskugel mit einem Lochbild von 83x56 mm (4-Schrauben-Befestigung) kann wahlweise mit einer 4-Schrauben-Befestigung (M10 oder M12 im Lochbild von 83x56 mm) oder mit einer 2-Schrauben-Befestigung (M16 im Lochabstand von 90 mm) um 56 mm oder 112 mm (oder 224 mm) nach oben oder unten verstellt werden.

Die Flanschkugel mit Zweilochbefestigung im Abstand von 90 mm kann in verschiedenen Stufen (30-50, 55 und 60 mm) bis zu 165 mm (insgesamt) angehoben oder abgesenkt werden.
VON 2-LOCH 90 MM BIS 4-LOCH 83X56 MM
Wenn Sie Fragen zu Anhängekupplungsadaptern haben, wenden Sie sich bitte an
0031 268403767 whats App kann auch 0031 630169408 sein.

u Anhängerkupplunghöhenverstellplatte universal mit EU-Zulassung für 2- und 4-Loch-Kugel hat noch keine Rezensionen. Teilen Sie anderen Ihre Erfahrungen mit, indem Sie auf Bewertung abgeben klicken.
u Anhängerkupplunghöhenverstellplatte universal mit EU-Zulassung für 2- und 4-Loch-Kugel

Meest recente reviews

Alternative Artikel für u Anhängerkupplunghöhenverstellplatte universal mit EU-Zulassung für 2- und 4-Loch-Kugel